HDPE Butt Fusion Flange Adaptor

Stub Flange for Pipeline Connections

Short Description

The HDPE Butt Fusion Flange Adaptor is a purpose-designed fitting that enables PE pipes to be joined with standard flange components in water, gas, and industrial fluid networks. Manufactured from high-grade PE100 resin, the adaptor is engineered to provide a stable, leak-free interface in both above-ground and buried systems.

Intro Product Summary

The smooth fusion end ensures a strong welded connection to the HDPE pipe, while the stub end pairs with a backing ring to form a robust bolted flange joint. This combination makes the adaptor suitable for systems that require frequent disassembly or transitions between different pipeline materials.

This combination of fusion bonding and bolted connection makes the fitting ideal for systems that require both structural reliability and ease of maintenance.

Key Features

  1. Secure Transition Between PE and Flange Equipment
    Provides a solid mechanical connection where HDPE interacts with steel or ductile iron components.
  2. Robust PE100 Construction
    Offers excellent toughness, impact resistance, and long-term performance in pressure-rated networks.
  3. Reliable Fusion Compatibility
    The fusion face is precision-machined to ensure proper alignment and consistent bead formation.
  4. Maintenance-Friendly Design
    The flange side can be unbolted for repairs or equipment replacement without affecting the fused pipe.

Installation Guide

  • Align the Pipe and Fitting
    Position both parts in the butt fusion equipment ensuring the correct flange orientation.
  • Face to Create Matching Surfaces
    Remove a thin layer to achieve smooth, parallel ends.
  • Heat Using the Fusion Plate
    Follow standard fusion parameters appropriate for the pipe SDR.
  • Join & Hold Under Pressure
    Bring the molten ends together and apply steady pressure until the bead forms.
  • Allow Natural Cooling
    Avoid movement until the joint has fully set.
  • Attach Backing Ring & Gasket
    Insert bolts and tighten evenly in a cross pattern after cooling.

The HDPE Butt Fusion Flange Adaptor is commonly used in:

  • Drinking water transportation and distribution
  • Gas pipeline systems within permitted pressure classes
  • Industrial plants that require mixed-material interfaces
  • Pump and valve chambers
  • Sewage and recycled water networks
  • Mining water delivery or slurry handling lines
  • Desalination and treatment plant installations

 Why Choose Xinda Plastic Pipe Co., Ltd 

  • Over 24 years of HDPE fittings manufacturing experience.
  • With years of experience manufacturing polyethylene fittings, we understand the precise demands of water, gas, and industrial projects.
  • Complete product lines:Electrofusion Fitting Series、PE/Steel Transition Fitting Series、Socket Joint Series、Butt Fusion Fitting Series.
  • High-precision copper wire embedding for consistent welding quality.
  • In-house QC lab ensures every fitting is inspected and batch-traced.
  • Comprehensive support for OEM and project supply.
  • Technical team provides fusion guidance and project support.
Packing MethodCarton
Trading MethodEXW, FOB, CFR, CIF, DDU
Payment MethodT/T, L/C at sight
Supply Ability100000 Ton/Year
CertificateISO、CE、GB/EN12201、EN1555、KS
Production Lead TimeDepending on the order quantity.Normally about 2~3 weeks for 20′ GP, 3~4 Weeks for a 40′GP.

 

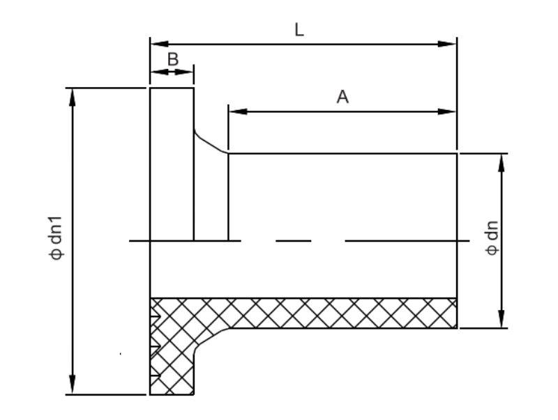
Specifications
фdn
фdn₁LABItem Number
SDR11
20458361XDRD11-20
255883618XDRD11-25
3268836110XDRD11-32
4078806112XDRD11-40
5088856712XDRD11-50
63102856813XDRD11-63
75122947514XDRD11-75
90138987717XDRD11-90
1101581058219XDRD11-110
12515812810021XDRD11-125
14018813010022XDRD11-140
16021213510026XDRD11-160
18021213510030XDRD11-180
20026815511234XDRD11-200
22526814510530XDRD11-225
25032016012032XDRD11-250
28032015010535XDRD11-280
31537017513035XDRD11-315
35543018013035XDRD11-355
40048218013037XDRD11-400
450/A58521515545XDRD11-450A
450/B53021515545XDRD11-450B
50058521515545XDRD11-500
560/A68522516545XDRD11-560A
560/B63022516545XDRD11-560B
63068521014552XDRD11-630
SDR17
5088856713XDRD17-50
63102886813XDRD17-63
75122957514XDRD17-75
90138987317XDRD17-90
1101581058519XDRD17-110
12515812710221XDRD17-125
14018813010022XDRD17-140
16021213510026XDRD17-160
18021213510030XDRD17-180
20026815511234XDRD17-200
22526814510530XDRD17-225
25032016011832

Q1: Can I order customized markings or packaging?
A1: We support OEM services for large-volume buyers.

Q2:.How to buy the product?
A2:Contact with us by email or by Trade Manager or wechat/whatsapp, and inform us all information what you want, or tell us what's kind of products you want? We will contact with you immediately, or we could recommend style to you.

Q3:Can you put your Design and logo on product?
A3:Yes, we have professional design service team, we can make any sample as your design, and also could put your logo on products.

Q4:What's the payment term?
A4:We can accept for L/C, T/T. Any other payment as your request.

Q5:Still have a lot of questions?
A5:Please feel free to contact with me as below name card,you can send email or add to your contacts and send me your question or inquiry ,welcome.

If your project requires a durable and safe solution for connecting different HDPE pipe diameters, our Butt Fusion Reducer is built to deliver reliable performance and long service life.

Contact us for technical details, samples, or a customized quotation.

Physical Address

No.88 North Road,
Hemudu Site Town, Yuyao, Zhejiang

Work Hours

Monday to Friday: 7am - 7pm
Weekend: 10am - 5pm

Phone Numbers

TEL: +86-15088499999
FAX: +86-15088499999

Please Contact Us

📞
Phone
📞 Phone Contact
+8615088499999
Click to call
✉️
E-mail
✉️ Email Contact
zoefang97@gmail.com (Zoe Fang)
sunj_china@hotmail.com (Jevin Sun)
Click to send email
WhatsApp
💬 WhatsApp
+8613989336302
Click to open WhatsApp
📱
Scan Us
Scan to Contact Us
WhatsApp QR

WhatsApp

WeChat QR

WeChat