




HDPE Butt Fusion Equal Tee
HDPE Butt Fusion Equal Tee for Stable Three-Way Pipeline Connections
Short Description
The HDPE Butt Fusion Equal Tee is engineered to form a balanced three-way connection in polyethylene pipeline networks. Manufactured from PE100 high-density material, this fitting is designed to deliver long-term strength, leak-free welding performance, and consistent flow distribution across all three directions.
Intro Product Summary
Its construction incorporates structural advantages similar to multi-direction fittings such as fusion crosses—uniform pressure tolerance, stable geometry, and reliable bonding surfaces—making the equal tee a dependable choice in both municipal and industrial settings.
Whether used in water supply, gas distribution, or complex utility layouts, the equal tee helps maintain system balance and provides a clean, permanent branching solution.
Key Features
- PE100 Material with Long-Term Stability
The fitting is molded from high-quality PE100 resin, offering exceptional resistance to impact, cracking, and long-term pressure cycles. - Uniform Flow Distribution
The equal tee maintains equal internal diameter across three directions, allowing smooth and predictable flow without turbulence or excessive pressure loss. - Strong Butt Fusion Connection
The welding surfaces are precisely machined to ensure even heat absorption and uniform fusion, providing a permanent and leak-free joint. - Corrosion & Chemical Resistance
HDPE resists rust, soil chemicals, and aggressive fluids—ideal for long-term underground or outdoor installation environments.
Installation Guide
- Surface Preparation
Clean the pipe ends and fitting surfaces. Make sure the materials match in size and SDR. - Machine Alignment
Secure the pipes and the equal tee inside the butt fusion machine. Check that the three outlets align properly before heating. - Heating Phase
Apply the heating plate to both the tee and pipe ends following ISO or ASTM fusion parameters for temperature and timing. - Joining Process
Remove the heating plate and press the fused surfaces together immediately. Maintain consistent pressure until the weld bead forms. - Cooling & Inspection
Allow the fitting to cool naturally—avoid moving it during cooling. Inspect the weld bead before performing any pressure tests.
The HDPE Butt Fusion Equal Tee is widely used in:
- City water supply networks
- Natural gas distribution systems
- Industrial fluid and chemical pipelines
- Agricultural irrigation channels
- Underground infrastructure projects
- Wastewater and drainage systems
- Mining and slurry transport
- Fire protection water distribution loops
Whenever a durable, equal-diameter branch is required, this tee offers reliable and consistent performance.
Why Choose Xinda Plastic Pipe Co., Ltd
- Over 24 years of HDPE fittings manufacturing experience.
- With years of experience manufacturing polyethylene fittings, we understand the precise demands of water, gas, and industrial projects.
- Complete product lines:Electrofusion Fitting Series、PE/Steel Transition Fitting Series、Socket Joint Series、Butt Fusion Fitting Series.
- High-precision copper wire embedding for consistent welding quality.
- In-house QC lab ensures every fitting is inspected and batch-traced.
- Comprehensive support for OEM and project supply.
Technical team provides fusion guidance and project support.
| Packing Method | Carton |
| Trading Method | EXW, FOB, CFR, CIF,DDU |
| Payment Method | T/T, L/C at sight |
| Supply Ability | 100000 Ton/Year |
| Certificate | ISO、CE、GB/EN12201、EN1555、KS |
| Production Lead Time | Depending on the order quantity.Normally about 2~3 weeks for 20′ GP, 3~4 Weeks for a 40′GP. |

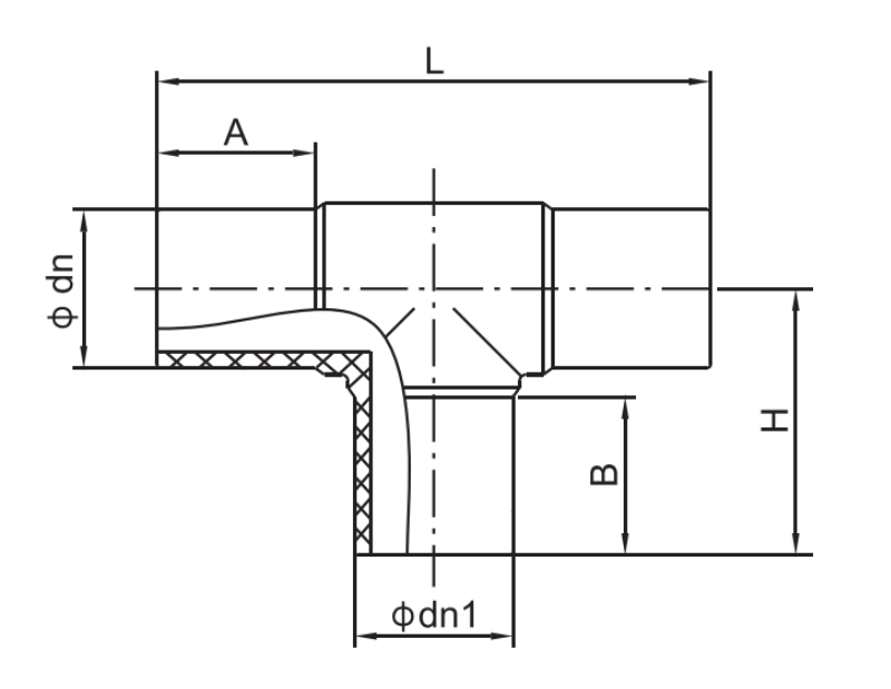
| Specifications dnXфdn₁Xфdn | L | A | B | H | Item Number |
| SDR11 | |||||
| 50x50x50 | 170 | 55 | 55 | 85 | XDRT11-50 |
| 63x63x63 | 205 | 63 | 63 | 104 | XDRT11-63 |
| 75x75x75 | 230 | 70 | 70 | 118 | XDRT11-75 |
| 90x90x90 | 265 | 79 | 79 | 134 | XDRT11-90 |
| 110x110x110 | 290 | 82 | 82 | 145 | XDRT11-110 |
| 125x125x125 | 320 | 87 | 87 | 163 | XDRT11-125 |
| 140x140x140 | 345 | 92 | 92 | 175 | XDRT11-140 |
| 160x160x160 | 325 | 70 | 70 | 169 | XDRT11-160 |
| 180x180x180 | 438 | 105 | 105 | 225 | XDRT11-180 |
| 200x200x200 | 380 | 80 | 90 | 200 | XDRT11-200 |
| 225x225x225 | 430 | 95 | 105 | 230 | XDRT11-225 |
| 250x250x250 | 520 | 120 | 125 | 270 | XDRT11-250 |
| 280x280x280 | 605 | 139 | 139 | 310 | XDRT11-280 |
| 315x315x315 | 619 | 135 | 130 | 300 | XDRT11-315 |
| 355x355x355 | 730 | 164 | 164 | 370 | XDRT11-355 |
| 400x400x400 | 675 | 110 | 165 | 370 | XDRT11-400 |
| 450x450x450 | 805 | 150 | 175 | 430 | XDRT11-450 |
| 500x500x500 | 855 | 150 | 180 | 485 | XDRT11-500 |
| 560x560x560 | 910 | 145 | 180 | 525 | XDRT11-560 |
| 630x630x630 | 990 | 145 | 180 | 550 | XDRT11-630 |
| SDR17 | |||||
| 63x63x63 | 197 | 63 | 63 | 104 | XDRT17-63 |
| 75x75x75 | 230 | 70 | 70 | 114 | XDRT17-75 |
| 90x90x90 | 265 | 79 | 79 | 132 | XDRT17-90 |
| 110x110x110 | 295 | 82 | 82 | 145 | XDRT17-110 |
| 125x125x125 | 320 | 87 | 87 | 163 | XDRT17-125 |
| 140x140x140 | 345 | 92 | 92 | 175 | XDRT17-140 |
| 160x160x160 | 325 | 75 | 75 | 168 | XDRT17-160 |
| 180x180x180 | 438 | 105 | 105 | 225 | XDRT17-180 |
| 200x200x200 | 380 | 80 | 90 | 210 | XDRT17-200 |
| 225x225x225 | 430 | 95 | 105 | 235 | XDRT17-225 |
| 250x250x250 | 520 | 120 | 120 | 265 | XDRT17-250 |
| 280x280x280 | 605 | 139 | 139 | 305 | XDRT17-280 |
| 315x315x315 | 620 | 135 | 130 | 305 | XDRT17-315 |
| 355x355x355 | 640 | 125 | 164 | 380 | XDRT17-355 |
| 400x400x400 | 680 | 120 | 140 | 380 | XDRT17-400 |
| 450x450x450 | 805 | 150 | 175 | 440 | XDRT17-450 |
| 500x500x500 | 855 | 150 | 180 | 485 | XDRT17-500 |
| 560x560x560 | 910 | 145 | 180 | 550 | XDRT17-560 |
| 630x630x630 | 1000 | 145 | 180 | 550 | XDRT17-630 |
Q1: Can this fitting be used for both water and gas projects?
A1: Yes. The HDPE Equal Tee is suitable for potable water, natural gas, and industrial fluids within the appropriate SDR range.
Q2:.How to buy the product?
A2:Contact with us by email or by Trade Manager or wechat/whatsapp, and inform us all information what you want, or tell us what's kind of products you want? We will contact with you immediately, or we could recommend style to you.
Q3:Can you put your Design and logo on product?
A3:Yes, we have professional design service team, we can make any sample as your design, and also could put your logo on products.
Q4:What's the payment term?
A4:We can accept for L/C, T/T. Any other payment as your request.
Q5:Still have a lot of questions?
A5:Please feel free to contact with me as below name card,you can send email or add to your contacts and send me your question or inquiry ,welcome.
If you are seeking a dependable equal tee for PE pipeline branching, our HDPE Butt Fusion Equal Tee offers long-term performance backed by strict quality standards.
Contact our team for specifications, samples, or a customized quotation.
Physical Address
No.88 North Road,
Hemudu Site Town, Yuyao, Zhejiang
Work Hours
Monday to Friday: 7am - 7pm
Weekend: 10am - 5pm
Phone Numbers
TEL: +86-15088499999
FAX: +86-15088499999











