

Electrofusion Branch Saddle
Electrofusion Branch Saddle (PE100 HDPE Fitting)
Short Description
The Electrofusion Branch Saddle is designed for creating a secure outlet from an existing HDPE pipeline.It is commonly used in gas distribution and water supply systems where a reliable branch connection is required.The built-in electrofusion wire ensures a consistent and strong weld between the saddle and the main pipe.
Key Features
- PE100 virgin material for strength and durability
- Designed for safe and efficient branch tapping
- Suitable for gas and potable water HDPE systems
- Integrated copper heating coils for consistent fusion
- Compatible with all standard electrofusion welding machines
- Excellent resistance to corrosion and chemical exposure
- Low installation time, no need to cut or split the pipe section
- Long service life under underground and high-pressure applications
Applications
The Electrofusion Branch Saddle is suitable for:
- Municipal water pipeline networks
- Gas distribution systems
- Industrial water and chemical systems
- Mining and slurry pipelines
- Agricultural irrigation projects
- Underground utility distribution
Its design makes it ideal for pressurized tapping and creating new branch connections on live HDPE pipelines.
Installation Guide
- Clean the pipe surface.
- Scrape the oxidation layer.
- Position the saddle on the main pipe.
- Clamp and fix the saddle.
- Connect the electrofusion terminals.
- Start fusion according to machine parameters.
- Allow cooling before pressure testing.
Why Choose Xinda Plastic Pipe Co., Ltd Electrofusion Fitting Series
- Over 24 years of HDPE fittings manufacturing experience.
- Complete product lines:Electrofusion Fitting Series、PE/Steel Transition Fitting Series、Socket Joint Series、Butt Fusion Fitting Series.
- High-precision copper wire embedding for consistent welding quality.
- In-house QC lab ensures every fitting is inspected and batch-traced.
- Comprehensive support for OEM and project supply.
- Technical team provides fusion guidance and project support.
- The Electrofusion Fitting Series is designed for connecting HDPE (High-Density Polyethylene) pipes through a reliable andleak-proof electrofusion process.
- These fittings use embedded heating elements that, when energized, melt the HDPE surface and create a strong, homogeneous joint between pipes or other fittings.
- Engineered for water, gas, and industrial piping systems, this series offers superior performance, easy installation, andlong-term durability — ensuring system integrity even under demanding operating conditions.
- Using advanced electrofusion technology, it ensures a leak-free, long-lasting joint that meets international standards for safety and performance.Electrofusion of HDPE uses electrofusion fittings which have small copper wires coiled around the inside.
- Electric current is then run through those wires using an electrofusion processor in turn melting the HDPE on the inside of the fitting and the outside of the pipe.
- Electrofusion of HDPE uses electrofusion fittings which have small copper wires coiled around the inside. Electric current is then run through those wires using an electrofusion processor in turn melting the HDPE on the inside of the fitting and the outside of the pipe.
| Packing Method | Carton |
| Trading Method | EXW, FOB, CFR, CIF, DDU |
| Payment Method | T/T, L/C at sight |
| Supply Ability | 100000 Ton/Year |
| Certificate | ISO、CE、GB/EN12201、EN1555、KS |
| Production Lead Time | Depending on the order quantity.Normally about 2~3 weeks for 20′ GP, 3~4 Weeks for a 40′GP. |


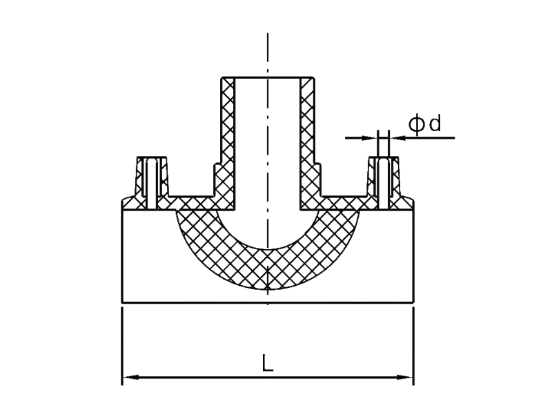
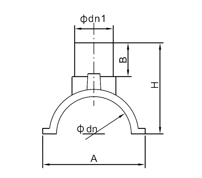
| (Specifications) φdnXφdn1 | L | A | B | H | φd | Item Number |
| 63×32 | 110 | 100 | 79 | 124 | 4.7 | XDFI-63/32 |
| 90×63 | 145 | 160 | 80 | 145 | 4.7 | XDFI-90/63 |
| 110×32 | 145 | 160 | 80 | 145 | 4.7 | XDFI-110/32 |
| 110×63 | 145 | 160 | 80 | 145 | 4.7 | XDFI-110/63 |
| 160×63 | 190 | 238 | 100 | 185 | 4.7 | XDFI-160/63 |
| 160×90 | 190 | 238 | 100 | 180 | 4.7 | XDFI-160/90 |
| 200×63 | 190 | 250 | 110 | 185 | 4.7 | XDFI-200/63 |
| 200×90 | 190 | 250 | 115 | 190 | 4.7 | XDFI-200/90 |
| 225×32 | 190 | 248 | 66 | 145 | 4.7 | XDFI-225/32 |
| 225×63 | 190 | 250 | 108 | 187 | 4.7 | XDFI-225/63 |
| 250×63 | 190 | 300 | 115 | 195 | 4.7 | XDFI-250/63 |
| 250×90 | 190 | 300 | 115 | 195 | 4.7 | XDFI-250/90 |
| 315×63 | 190 | 303 | 115 | 190 | 4.7 | XDFI-315/63 |
| 315×90 | 190 | 303 | 115 | 190 | 4.7 | XDFI-315/90 |
Q1: What is an Electrofusion Branch Saddle used for?
A1:It is used to create a branch outlet on an existing HDPE pipeline without cutting or removing pipe sections.
Q2:.How to buy the product?
A2:Contact with us by email or by Trade Manager or wechate/whatsapp, and inform us all information what you want, or tell us what's kind of profducts you want? We will contact with you immediately, or we could recommend style to you.
Q3:Can you put your Design and logo on product?
A3:Yes, we have professional design service team, we can make any sample as your design, and also could put your logo on products.Moulds injection or leaser printing according your demand or your quantity.
Q4:What's the payment term?
A4:We can accept for L/C, T/T. Any other payment as your request.
Q5:Still have a lot of questions?
A5:Please feel free to contact with me as below name card,you can send email or add to your contacts and send me your question or inquiry ,welcome.
Physical Address
No.88 North Road,
Hemudu Site Town, Yuyao, Zhejiang
Work Hours
Monday to Friday: 7am - 7pm
Weekend: 10am - 5pm
Phone Numbers
TEL: +86-15088499999
FAX: +86-15088499999








